WhatsApp

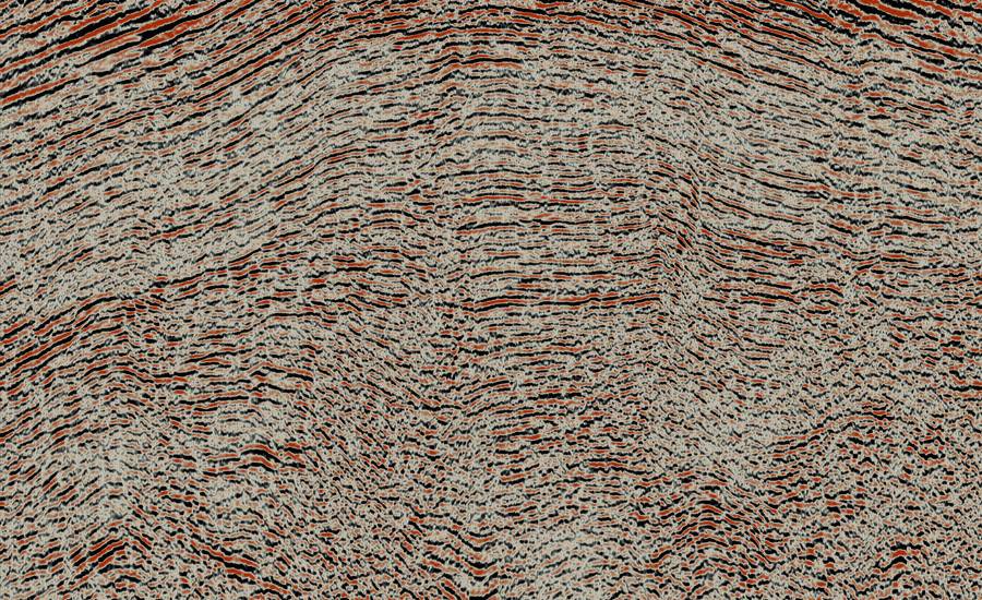
Canada – British Columbia – Land data – PSTM

Seismic data before MultiFocusing processing - Canada British Columbia Seismic data after MultiFocusing processing - Canada British Columbia

Canada – British Columbia – Land data – PSTM

Seismic data before MultiFocusing processing - Canada British Columbia Land Seismic data after MultiFocusing processing - Canada British Columbia Land

South California – Land data – PSTM

Seismic data before MultiFocusing processing - South California Seismic data after MultiFocusing processing - South California

Gabon – Marine data – PSTM

Seismic data before MultiFocusing processing - Gabon Marine Seismic data after MultiFocusing processing - Gabon Marine

Russia – Timano Pechora – Land data – PSTM

Seismic data before MultiFocusing processing - Russia Timano Pechora Seismic data after MultiFocusing processing - Russia Timano Pechora

Russia – Ural foothills – Land data – PSTM

Seismic data before MultiFocusing processing - Russia Ural Foothills Seismic data after MultiFocusing processing - Russia Ural Foothills

Russia – Western siberia,Western Siberia – Land data – PSTM

Seismic data before MultiFocusing processing - Russia Western Siberia Seismic data after MultiFocusing processing - Russia Western Siberia

Russia – Yakutia,Yakutia – Land data – Stack

Seismic data before MultiFocusing processing - Russia Yakutia Seismic data after MultiFocusing processing - Russia Yakutia

Kamchatka – Land data – Stack

Seismic data before MultiFocusing processing - Kamchatka Seismic data after MultiFocusing processing - Kamchatka

Uzbekistan – Land data – Post-STM

Seismic data before MultiFocusing processing - Uzbekistan Seismic data after MultiFocusing processing - Uzbekistan

Pakistan – Land data – Stack

Seismic data before MultiFocusing processing - Pakistan Seismic data after MultiFocusing processing - Pakistan

Kazakhstan – Zaisan – Land data – PSDM in time

Seismic data before MultiFocusing processing - Kazakhstan Zaisan Seismic data after MultiFocusing processing - Kazakhstan Zaisan

China – Land data – PSTM

Seismic data before MultiFocusing processing - China Seismic data after MultiFocusing processing - China

Russia – East Siberia – Land data – Stack

Seismic data before MultiFocusing processing - Russia East Siberia Seismic data after MultiFocusing processing - Russia East Siberia

Papua New Guinea - Land data - PSTM

Seismic data before MultiFocusing processing - Papua New Guinea Seismic data after MultiFocusing processing - Papua New Guinea

Pin - Case studies

Seismic imaging case study thumbnail - Russia Yakutia

Russia Yakutia

land data, Stack

Seismic imaging case study thumbnail - Russia Kamchatka

Russia Kamchatka

land data, Stack

Seismic imaging case study thumbnail - Papua New Guinea

Papua New Guinea

land data, PSTM

Seismic imaging case study thumbnail - USA South California

USA South California

land data, PSTM

Seismic imaging case study thumbnail - Gabon Marine

Gabon marine

marine data, PSTM

Seismic imaging case study thumbnail - Uzbekistan

Uzbekistan

land data, Post-STM

Seismic imaging case study thumbnail - Pakistan

Pakistan

land data, Stack

Seismic imaging case study thumbnail - China

China

land data, PSTM

Seismic data before MultiFocusing processing - Russia Yakutia Seismic data after MultiFocusing processing - Russia Yakutia
Seismic data before MultiFocusing processing - Kamchatka Seismic data after MultiFocusing processing - Kamchatka
Seismic data before MultiFocusing processing - Papua New Guinea Seismic data after MultiFocusing processing - Papua New Guinea
Seismic data before MultiFocusing processing - South California Seismic data after MultiFocusing processing - South California
Seismic data before MultiFocusing processing - Gabon Marine Seismic data after MultiFocusing processing - Gabon Marine
Seismic data before MultiFocusing processing - Uzbekistan Seismic data after MultiFocusing processing - Uzbekistan
Seismic data before MultiFocusing processing - Pakistan Seismic data after MultiFocusing processing - Pakistan
Seismic data before MultiFocusing processing - China Seismic data after MultiFocusing processing - China